針對條款ANSI-ESD- S20.20/8.1 和ANSI/ESD S6. 1-2014 進行講解。在标準給出的表格中列出了三種接地系統要求:
Technical Requirement (技術要求) | lmplementing Process (執行方式) | Test Method (測試方式) | Required Limit (S) (參數限值) |
Grounding / Bonding 接地/等電位相連系統) | Equipment Grounding 設備接地導體 | ANSI/ESD S6.1 | <1.0 ohm impedance <1.0歐姆阻抗<> |
Conductor Auxiliary Ground 輔助接地 | ANSI/ESD S6.1 | <25 ohms to the Equipment Grounding Conductor <25歐姆到設備接地導體<> | |
Equipotential Bonding 等電位相連接 | ANSI/ESD S6.1 | <1.0x109 ohms(3) <1.0x109歐姆(3) |
一、ESD 接地/連接參考系統
實際用途和物理環境決定了能提供最佳的ESD 全面保護系統的接地系統的選擇。爲建立ESD接地/連接參照點
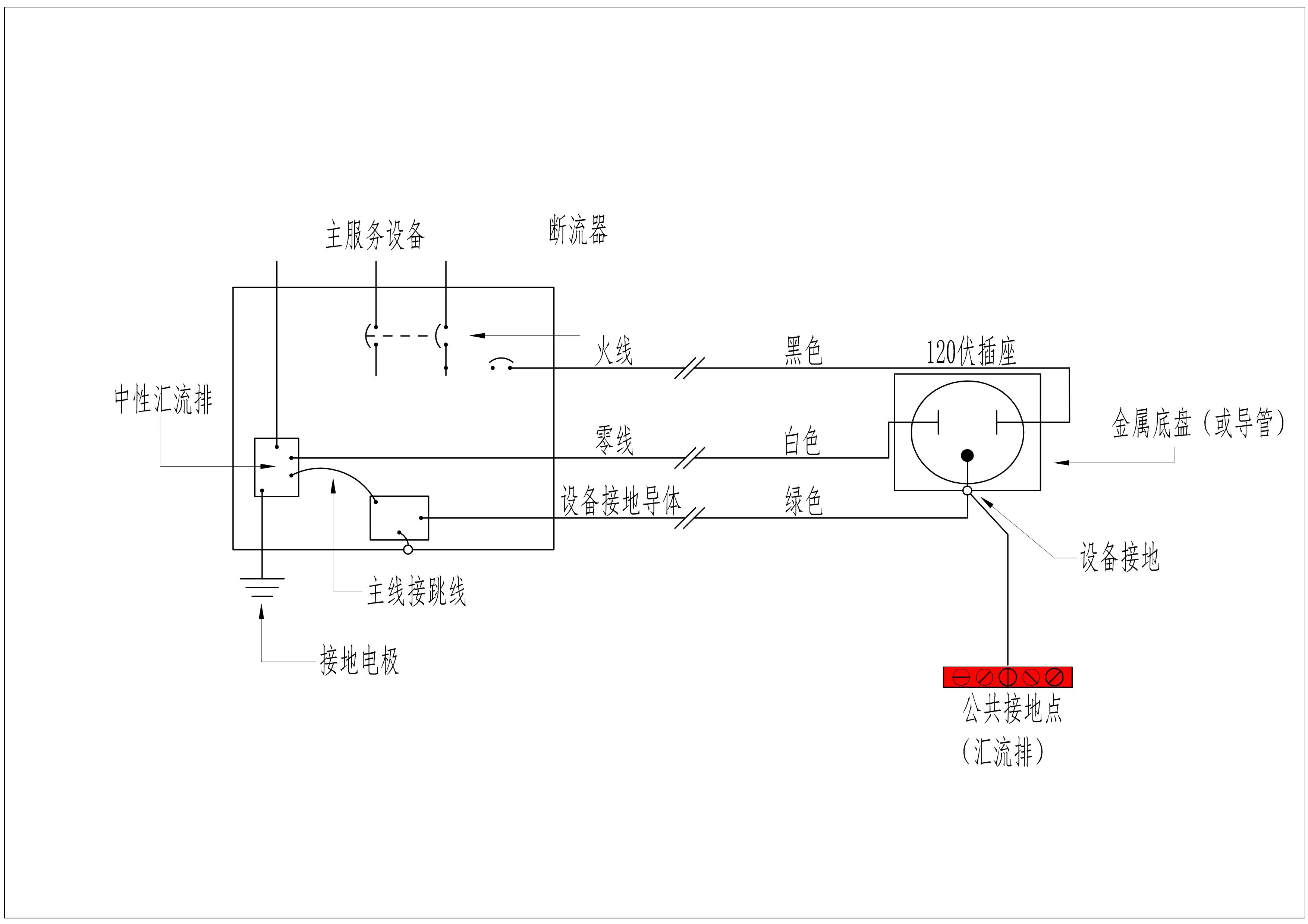
1.1、AC 電設備地
在EPA 中,若适用,AC 設備地是最佳接地選擇。設備接地導體将AC 設備地通電連接到建築的主服務設備面闆的接地彙流排。使用這個系統的時候,EPA 中的 AC 設備及所有ESD 技術因素會在或接近同一個電位
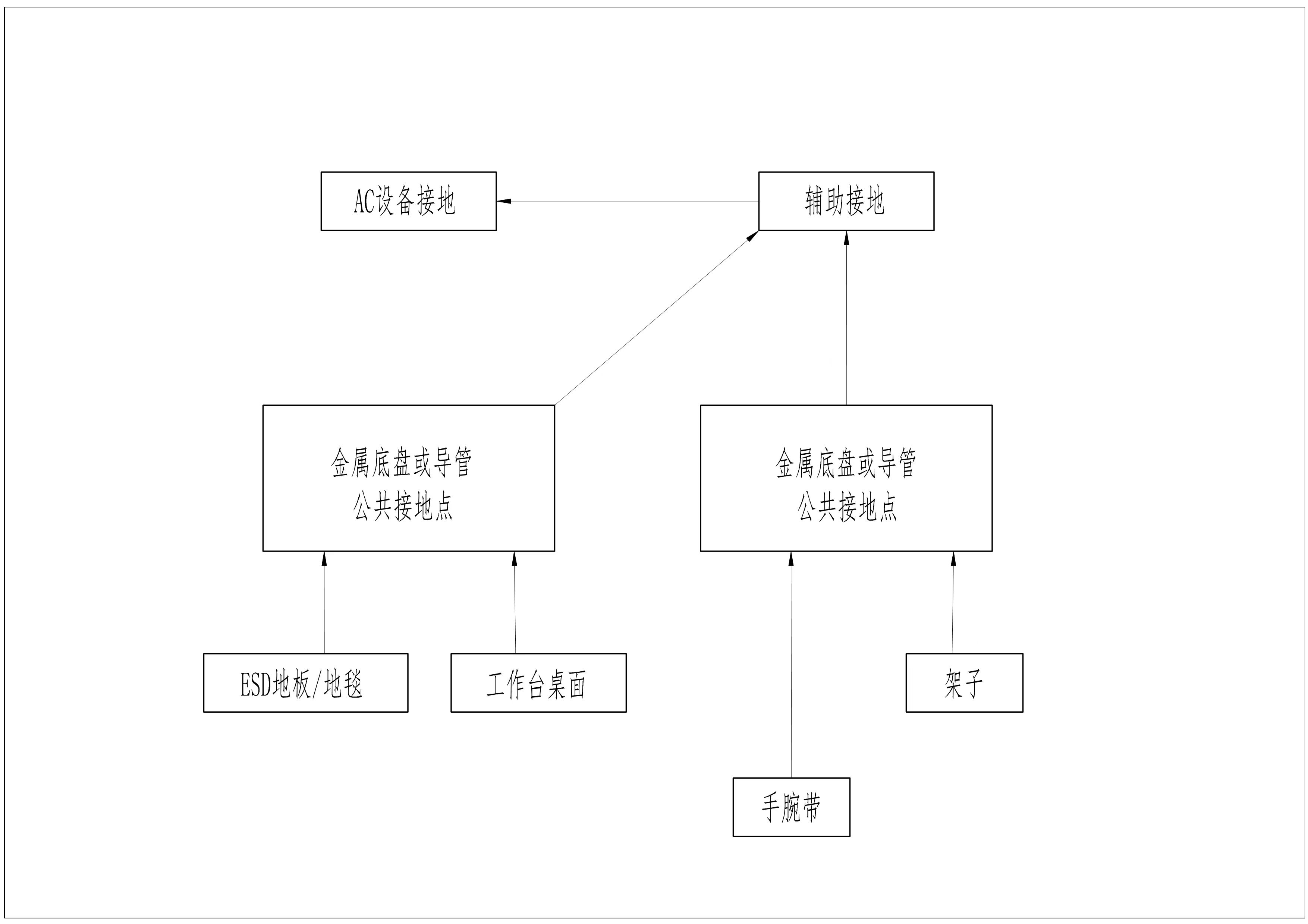
1.2、輔助接地

一些設備要求使用獨立或輔助的接地系統。在這種情況下,若可行,輔助地應連接到AC 設備d;若不能将這兩個地進行電氣連接,應注意AC 設備和ESD 技 術因素之間可能存在較大的電位差異

1.3、等電位連接
将所有ESD 技術因素、工作場所内的人員及使用中的設備進行電氣互連,從而平衡它們之間的電荷量,以實現安全操作易受ESD 影的物件

二、連接到 ESD 接地/連接參考點
在 EPA 中使用的所有的 ESD 技術要素必須與選定的 ESD 接地/連接參考點進行電氣連接。
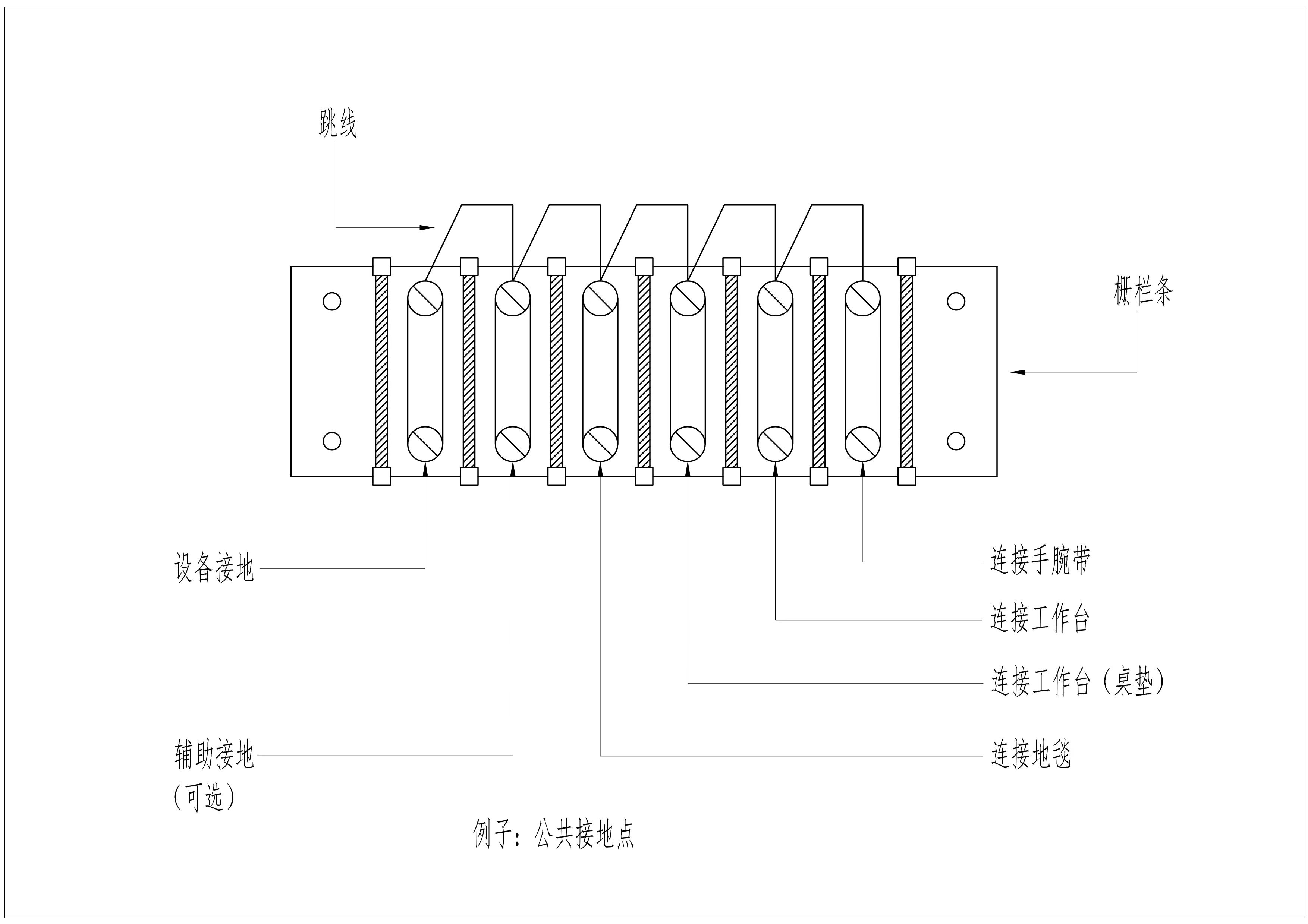
2.1、公共點接地
在 EPA 環境中使用的所有接地導體均應連接到等電荷點(不包括 2 級技術要素)。公共點接地可能是接線條,彙流排或 任何方便使用的結構,在其内部, 6.1.1 節指定用歐姆表測得的點到點的電阻值不能大于 1 歐姆

2.2、輔助接地系統

一個輔助接地應結合到設備接地,以确保在這兩個系統之間的電位差
2.3、等電位連結
現場服務操作或其它 ESDS(ESD 敏感項目)操作可能沒有接地條件。等電位連接提供了防 ESD 的安全操作方式,因 爲在互聯物件之間不存在電位差别

注:
1.參數限值使用了“阻抗”的概念。這是因爲在這種接地方式中接地線上會有交流的幹擾信号,那麽是交流就需考慮電感和電容對線路電阻的影響,統一在一起就是阻抗。建議使用當前市面上有這款(SCSCTM051)阻抗測試儀。使用萬用表測阻抗因爲有MEI和脈沖幹擾有時不能真實反映線路接地狀況。

2.輔助接地兩個系統之間的電氣連接建議是在配電間的設備供電接線母排上,即盡量接近地樁端
3.等電位連接因爲有軟接地的存在,參數限值1.0x10^9 歐姆是最大值,即針對此時EPA内金屬的接地限值仍是小于1歐姆




